加(jia)入收藏
| 設爲首(shou)頁
今天是
三塊式(shì)焊接球閥 |
|
|
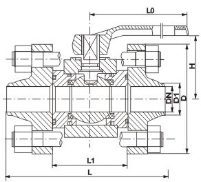
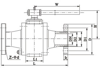
名稱:三塊(kuài)式焊接球閥(fa) 口徑:DN10----DN100 壓(yā)力:16Mpa、32Mpa 溫度:--40℃--350℃ 材(cai)質:WCB、304、316、304L、316L…… 設計(jì)标準:GB、API、DIN、JIS、ANSI……
|
Copyright © 2008- 無錫錫山(shan)閥門廠有限(xian)公司 All Rights Reserved
地址:江(jiang)蘇省無錫市(shi)錫山區鵝湖(hú)鎮柏橋路100号(hao) 郵編:214117
電話:13921190334 傳真:0510-88752278 Email:[email protected] 蘇(su)ICP備10073213号